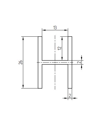
Silikónové transparentené tesnienie v tvare H
Kód: MAR06-H
Popis:
Silikónové transparentené tesnienie v tvare H pre spoj dvoch skiel, rozmer 16x13x16x2mm potrebná medzera medzi sklami max.2mmfarba: transparentné
Prevedenie: Transparetná

12 kB / JPG